單支架俗稱托臂,工廠預制加工、機械加工最為常規的安裝配件
底板保護焊焊接,結實可靠,高荷載能力,腰形孔設計,方便安裝調節
不一樣的長度滿足不同工況的需要
成型后表面鍍鋅處理,后期不需要維護,外觀美觀,鋅層厚度約為12~60μm左右
安裝簡單,適合支撐各種管道、橋架或電纜、風管等
槽鋼生產標準:DIN EN 10326
底板生產標準:DIN EN 10325
電鍍鋅標準:DIN 50961
電力電纜橋架、消防水管、消防排煙管、給排水、空調排風管、機械排風管的安裝配件
>>免費咨詢電話400-894-5118
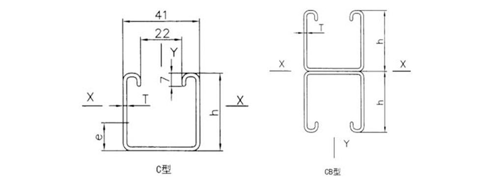
綜合管廊抗震支架槽鋼類型
C型、CB型
注:1.I-慣性矩cm4; e-中性面尺寸cm; w-抗彎矩cm2; io回轉半徑cm;
2.供貨定尺長3m,可定制長度。
南京曼卡特科技有限公司成立于2004年,是一家專業從事加固材料、錨固材料研發、生產、銷售的高科技企業。立志為世界造好建筑產品,重塑中國制造雄風的曼卡特,獲數家媒體熱追~

地下管廊作為與我們生活息息相關的重點工程,選用靠譜的托臂與預埋槽道搭檔很重要,曼卡特托臂配曼卡特預埋槽道,堪稱黃金搭檔,通過19項認證。
>>免費咨詢電話400-894-5118
曼卡特的服務保障更深一層
曼卡特堅持“賣出產品只是第一步”的信念,以客戶利益為出發點,為每一個合作項目指派專業人員與工程設計師、施工方進行溝通,幫助其深化方案、計算加固材料承載能力,并到施工現場實地考察,根據各個工程的需求,在不影響材料性能的前提下,量身定制各種規格的產品。
在項目施工過程中,有國內技術團隊跟蹤進行技術支持,對施工工人進行集中培訓,幫助解決安裝過程中的一切問題;投入使用后會有定期的檢查和維護,我們努力確保各項目安全、準時竣工,真正做到全程無憂。曼卡特還為產品購買了責任險,由平安保險承保,安全保障更深一層,維保再也不是難題。
誠信為本,未曾讓信任曼卡特的工程失望
安徽滁州管廊
安徽蕪湖管廊
城市軌道U型梁
哈爾濱富力灣T1塔樓
重慶閬中管廊
曼卡特衷心感謝
曼卡特給您可靠的保障
馬上行動,現在就聯系曼卡特:400-894-5118!
本頁關鍵詞:綜合管廊抗震支架